甘肅酒鋼集團宏興鋼鐵股份有限公司始建于1958年,是國家“一五”期間重點建設項目之一。在形成“采、選、燒”,“鐵、鋼、材”完整配套的鋼鐵工業生產體系基礎上,以鋼鐵業為主,延伸兼營資源開發、煤電聯產、機械制造、建筑安裝、房產開發、建材制品、焊接材料、鐵合金、釀酒、種植養殖等多種產業,是西北地區具有較大影響力的鋼鐵聯合企業之一。
甘肅酒鋼集團宏興鋼鐵股份有限公司堅持走“品種、質量”之路。生產和銷售碳鋼系列高速線材、棒材、中厚板材、熱軋薄板、冷軋薄板和不銹鋼系列熱軋卷板及冷軋卷板、低碳鋼高速無扭控冷熱軋圓盤條、壓力容器用鋼板、低合金結構鋼熱軋厚鋼板及鋼帶、碳素結構鋼熱軋鋼板、鋼筋混凝土用熱軋帶肋鋼筋HRB400等六種產品獲得中國冶金工業協會“金杯獎”。

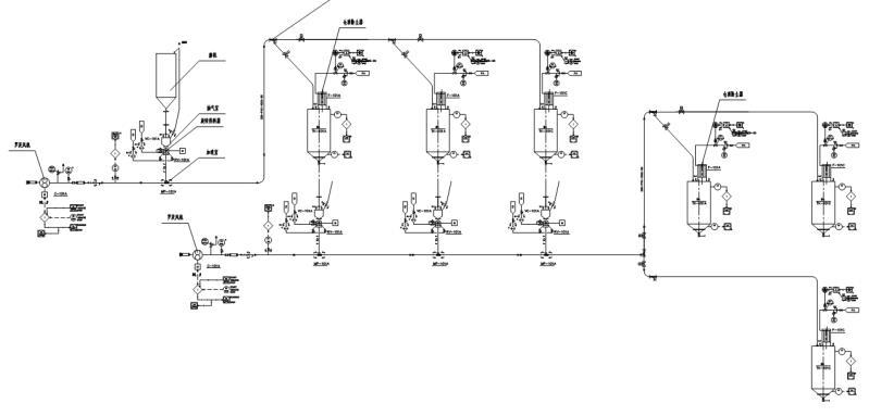
章丘豐源機械有限公司與酒鋼集團合作項目:選燒廠球團豎爐電除塵改造及煙氣脫硫建設項目
章丘豐源氣力輸送研究所提供粉煤灰氣力除灰系統,氣力輸灰系統設備, 氣力除灰改造氣力除灰系統,解決粉煤灰等粉粒體輸送難題,根據物料的濃度不同,可以分為稀相氣力輸灰系統和濃相氣力輸灰系統。
本工程建設2臺10m2球團豎爐煙氣配套的電除塵器和1臺用于處理球團豎爐周邊揚塵點所收集含塵空氣的電袋結合環境除塵器,除塵器收集的灰采用壓縮空氣濃相氣力連續除灰系統輸送,包括氣力輸灰、飛灰輸送系統、壓縮空氣系統及灰倉除塵系統。

球團豎爐是鐵精礦焙燒的常用方法,具有熱效率高、操作簡單、占地面積小等特點,得到了廣泛的應用。
生產原料是鐵精礦粉和膨潤土等添加劑混合造球,所用燃料為高爐煤氣,利用豎爐進行焙燒,生產出酸性球團礦。
生產工藝是“爐料與氣流逆向交換”,在球團豎爐生產中,由于球團互相擠壓、摩擦和少量生球爆破,產生粉塵,被豎爐內上升的煙氣夾帶走,由爐頂上部外排。
其特點是:煙氣量大,粉塵量大,二氧化硫含量高,含濕量高,露點溫度高等大氣污染環境特性。
除塵器收集的粉塵通過氣力輸灰系統送至倉泵,作為球團豎爐造球原料再次造球送入球團豎爐焙燒。
章丘豐源機械研發設計粉體輸送系統,氣力輸灰,粉粒體輸送,氣力輸送系統,氣力輸送設備裝置,免費方案設計,專業售前咨詢和售后技術服務,擁有濟南工程實驗室,聯合組建濟南大學氣力輸送研究所,以“清潔、高效、節能、環保”為宗旨,為用戶提供優質、可靠的氣力輸灰、粉煤灰輸送及處理系統。