一、什么是氣力輸送系統?
氣力輸送是一種借助空氣(或其他氣體)在密封管道內的流動來輸送固體物料的新技術。廣泛應用于化工、塑料、橡膠、食品、電子、醫藥、鋼鐵、環保、發電等行業粉粒體輸送。具有快速、定量和清潔等優點。
一套完整及高效率的粉、粒體輸送系統,需求準確的規劃及慎密的測試,才能為各個應用產業提供最適當的客制化生產線。
二、氣力輸送中主要配套設備及用途
氣力輸送中主要配套設備有空氣控制單元、回轉閥、分向閥,閘刀閥。
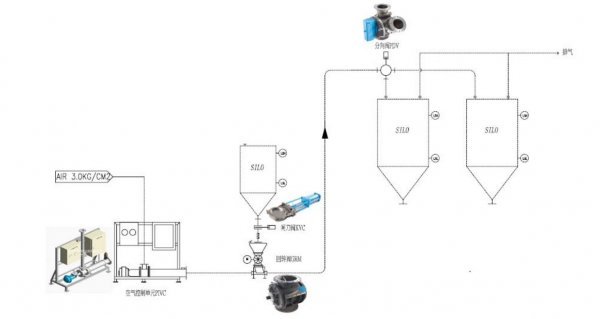
正壓輸送系統簡易圖

1空氣控制單元
主要用于密相氣力輸送時搭配,針對物料需求如操作壓力較高、輸送氣體流速低、輸送氣體流量小、輸送物料以成堆移動時,ACU空氣控制單元能有效管控體供應以未定流速與流量。
以實現輸送氣流量的最小化,起到節能的效果,減少管道破損,減少物料破損,能適應大范圍的輸送量波動和輸送距離變化。
2回轉閥
回轉閥又叫旋轉閥、旋轉給料閥。主要輸送原料分為粉體與粒體兩大類,依其使用系統之不同,一般可分為集塵、排料(DischargePhase)用、低壓輸送(DilutePhase)用,及高壓壓輸送(DensePhase)用等,是計量、除塵、定量輸送、混合、包裝的專用設備。
(1)GRM-粒體中壓回轉閥:適用于顆粒及粉碎料、氣力輸送系統和計量系統。
特點:專利防咬料設計,避免運轉中發生粒子剪斷現象;降低設備振動及故障風險強化軸承支撐設計,提升轉子和閥體配合精度。
(2)PBM-粉體中壓回轉閥:適用于粉料和氣力輸送系統。
特點:內部拋光處理,加強物料流動性;強化軸承支撐設計,提升轉子和閥體配合精度。
(1)GQM-快拆中壓回轉閥(軌道式):適用于顆粒及粉料、清潔氣力輸送系統和計量系統。
特點:專利防咬料設計,避免運轉中發生粒子剪斷現象;降低設備振動及故障風險;強化軸承支撐設計,提升轉子和閥體配合精度;特殊拆卸方式,換料清潔時更加便利。
3分向閥
分向閥是應用于固體物料(粉體、粉末,顆粒物料、粉粒混合物、片狀等)輸送系統中用于切換管道中物料流向的專用設備.主要用于氣力輸送系統中的物料管道換向。
(1)PDV-球塞分向閥:適用于粉料及粒料、物料合并或分流。
特點:聯結法蘭采獨立分離設計,可配合管路需求,變換多種角度組合閥座有金屬保護,可減少磨損、延長使用壽命及提高效率;進出口均有PTS密封環設計;全量式流道、手動或氣動選配、機械式定位設計、密封座防吹出設計。
(2)GDV-柱塞式分向閥:適用于顆粒料、物料合并或分流。
特點:結構簡單、更容易保養和維護;進出口均有PTS密封環設計;全量式流道;手動或氣動選配;機械式定位設計。
(3)DP/A-擋板分向閥(旁通形式):適用于粉料及粒料、物料合并或分流。
特點:在內部采用復合式結構,防止粉泄漏。
4閘刀閥
閘刀閥是應用于固體物料(粉沫、顆粒物料、粉粒混合物、片狀等)輸送系統中用于啟閉管道的專用閥門,可用于氣力輸送系統物料卸料,同時起到鎖閉與開啟閥門的作用。
(1)KVC-氣動閘刀閥:適用于粉料及粒料。
特點:安裝面距短,節省安裝空間流體不易殘留;填料函部份,采分離自導式設計,加強止漏效果,增加使用壽命;結構簡單,更容易保養及維護。
(2)KVH手動閘刀閥:適用于粉料及粒料。
特點:安裝面距短,節省安裝空間流體不易殘留;填料函部份,采分離自導式設計,加強止漏效果,增加使用壽命;結構簡單,更容易保養及維護。
(3)KGC封閉式啟動閘刀閥:適用于粉料及粒料。
特點:安裝面距短,節省安裝空間流體不易殘留;料函部分,才分離自導式設計,加強止漏效果,增加使用壽命;封閉式中間架防止物料外露污染情形發生并增加使用壽命。
三、氣力輸送系統的特點
氣力輸送系統重要環節
便利安裝及維護、自動流量調整、簡易設定及操作、低維護成本、可由控制器及PLC和HML作互動管控。連續式相較于單槽式與雙槽式系統,連續式能輸送更多的物料。

章丘豐源機械有限公司歷經幾年來致力于粉塵與煤灰輸送系統之研究,配合豐富的實務經歷,我們始終將目標著重于開發更簡易組裝、低耗能、便利維修與高經濟效益輸送系統。